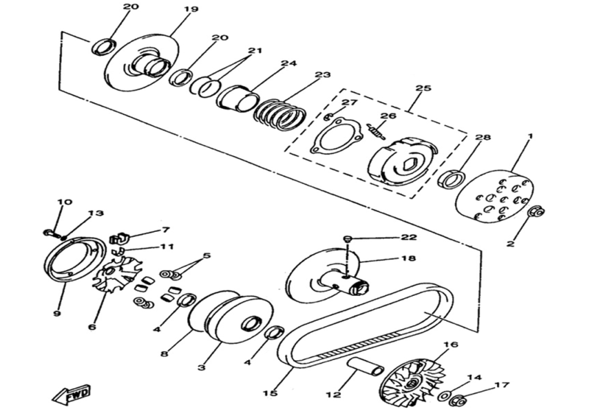
CVT COMP.
If you are unable to find the corresponding parts for the catalog, please contact us.
| Image/No | Product | Price |
|---|---|---|
| 1 |
Linhai 250 260 300 Clutch Housing Comp.
|
|
| 1 |
Linhai YP300 Clutch Housing Comp.
|
|
| 5 |
Linhai 250 260 300 400 Variator Roller (20x12) 12g
|
|
| 5 |
Linhai 250 260 300 400 Variator Roller (20x12) 13g
|
|
| 5 |
Linhai 250 260 300 400 Variator Roller (20x12) 14g
|
|
| 7 |
Linhai 250 260 300 400 Cushion Rubber
|
|
| 15 |
Gates PowerLink Yamaha Linhai CVT Belt 856 23
|
|
| 15 |
Mitsuboshi Yamaha Linhai 250 260 300 400 CVT Belt 23.0*871
|
|
| 15 |
Yamaha Linhai 250 260 300 400 CVT Belt 871*23*30
|
|
| 16 |
Linhai 250 260 300 Variator Drive Face
|
|
| 25 |
Linhai 250 260 300 Plate of Clutch Smaller
|
|
| 25 |
Linhai YP300 Plate of Clutch Bigger
|
|
| 1+20-28 |
LINHAI YAMAHA 250 260 300 CVT Rear Clutch Pulley Assy
|
|
| 1+20-28 |
LINHAI 250 260 300 CVT Rear Clutch Pulley Assy
|
|
| 20-28 |
Linhai YP250 CVT Rear Clutch Pulley
|
|
| 3-13 |
Linhai 250 260 300 Variator Set w/o Drive Face
|
|
| 3-13+16 |
Linhai 250 260 300 Variator Set
|


















WhatsApp
Messenger
Telegram
WeChat
QQ