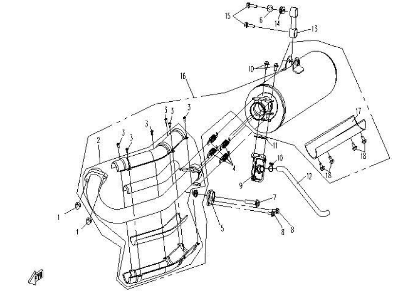
MUFFLER
Exhaust System Maintenance & Fault Diagnosis Guide
Exhaust System Fault Diagnosis - Red Hot Exhaust Pipe
Troubleshooting and solutions for the red glow phenomenon in ATV exhaust mufflers.
Diagnosis Note: A red glow on the front section or connections of the exhaust system typically indicates abnormally high temperatures in that area, which can be caused by various reasons.
Other Possible Associated Symptoms:
Reduced engine power or sluggish acceleration
Abnormal exhaust sounds (hissing or popping)
Abnormally high fuel consumption
Abnormal exhaust color (black smoke, blue smoke, etc.)
Abnormally high engine temperature
Potential Causes & Solutions:
| Potential Cause | Solution |
|---|---|
| Exhaust Restriction (Muffler Internal Blockage) Carbon buildup or foreign object blockage increasing exhaust backpressure and local temperature. |
Clean or replace the muffler to ensure unrestricted exhaust flow. |
| Lean Air-Fuel Mixture (High Combustion Temperature) Imbalanced air-fuel ratio causing abnormally high combustion chamber temperatures. |
Adjust the carburetor or check the fuel injection system to ensure the correct air-fuel ratio. |
| Retarded Ignition Timing (Combustion Continues into Exhaust Stroke) Incorrect ignition timing causing combustion to extend into the exhaust phase. |
Check and adjust the ignition timing to ensure accurate firing. |
| Exhaust Leak (Air Intrusion Causing Secondary Combustion) Poor seal at connections allowing air entry and causing secondary combustion. |
Check connection seals or welds for integrity. Replace gaskets or re-weld as necessary. |
| Material or Design Issue (Insufficient Wall Thickness) Insufficient exhaust pipe wall thickness or material not resistant to high temperatures. |
Consider adding a heat shield or replacing the pipe section with thicker material. Choose high-temperature resistant materials. |
Recommended Inspection Steps:
Step 1: Cold Engine Inspection
Check the exhaust pipe for cracks, rust, or perforations.
Check for loose bolts/fittings.
Check the condition of the sealing gaskets.
Step 2: Hot Engine Diagnosis
After the engine is warm, observe the red area for leaks (soapy water test can be used).
Use an infrared thermometer to measure the temperature of the red area.
Check if temperatures in other parts of the exhaust are abnormal.
Step 3: Engine Condition Check
Check if the air-fuel ratio is normal.
Check if the ignition timing is accurate.
Check for abnormal combustion (knocking, backfire).
Check if cylinder compression pressure is normal.
Safety Reminder: Exercise extreme caution when handling a red-hot exhaust pipe. Wait for the engine to cool completely before inspection to avoid burns. If the problem persists, it is recommended to contact a professional technician or dealer for a comprehensive diagnosis.
If you are unable to find the corresponding parts for the catalog, please contact us.
| Image/No | Product | Price |
|---|---|---|
| 04 |
Muffler Spring
|
|
| 14 |
Rubber Cushion, Muffler
|
|
| 01 | MICF8010-020001 | |
| 02 | MICF9030-020110 | |
| 03 | MICF30110-420095010 | |
| 05 | MICF9030-020400 | |
| 06 | MICF9010-020300 | |
| 07 | MICF30006-080030840 | |
| 08 | MICF30006-060016840 | |
| 09 | MICF8030-020120 | |
| 10 | MICF30601-116020 | |
| 11 | MICF8030-020101 | |
| 12 | MICF9010-020004 | |
| 13 | MICF9030-020200 | |
| 15 | MICF30006-080035840 | |
| 16 | MICF9030-0201B0 | |
| 17 | MICF9030-020106 | |
| 18 | MICF30006-060012840 | |


